Прием звонков: Пн-Пт: с 8.00 до 21.00
Сб,Вс: с 9.00 до 18.00
(Бесплатный звонок по России)
Ваш Регион: Республика Карачаево-Черкесия
Ваш город: Медногорский
Изменить город:

ГлавнаяПроектыВагончики бытовки → Бытовка 5м для дачи жилая

Бытовка 5м для дачи жилая

Сроки строительства: август 2015г.
Населенный пункт: Камышин
Адрес доставки: Волгоградская обл., Камышинский район, г.Камышин
Заказчик: Физические лица
Стоимость проекта (цена): узнать стоимость

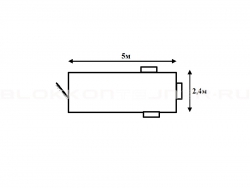
Блок - контейнер  БК  5,0*2,4*2,5

Заявка 234

Комплектация:

- металлический каркас: цвет синий;

- кровля плоская сварная, грунт-краска;

- утеплитель 100мм: стены, пол, потолок;

- ветро-гидроизоляция-пленка ПВХ 80мкр: стены, пол, потолок;

- внешняя отделка: оцинкованный  профлист;

- входная дверь металлическая Россия «Эконом», утепленная с врезным замком - 1шт.;

- окно ПВХ однокамерное, поворотное  700*900 - 3шт.;

- отделка внутренняя: стены, потолок - вагонка ПВХ; цвет - белый;

- пол:  ДСП 16мм; линолеум, плинтус ПВХ;

- электрика в кабель-канале: 3-х жильный провод, светильник-1шт., выключатель-1шт., розетка двойная - 2шт., автомат на розетки (25 А), автомат на освещение (10 А).

доставка, Россия, г. Камышин.


Бытовка 5м для дачи жилая
Бытовка 5м для дачи жилая
Бытовка 5м для дачи жилая

Для того, чтобы узнать стоимость проекта, заполните форму ниже:

Узнать стоимость этого проекта

ОШИБКА:
Заполните, пожалуйста, все поля корректно!
Спасибо!
Ваш запрос отправлен, через некоторое время с Вами свяжутся!
Представтесь(ФИО)*:

Телефон*:

Город доставки*:

E-mail*:


Нажимая на кнопку, вы даете согласие на обработку персональных данных
* - поле обязательно для заполнения.
Назад